products
contact us
2021-06-22 编辑:dede58.com
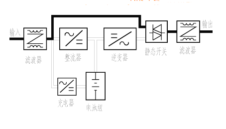
关于UPS的工作原理,很多人应该有一个模糊的概念,并不是很清楚,具体的工作原理是怎样的。而且对于使用UPS的用户来说,了解它的工作原理是很有必要的。今天这里就详细地介绍一下有关UPS工作原理的知识。当在线式UPS在电网供电正常时,电网输入的电压一路经过噪声滤波器去除电网中的高频干扰,以得到纯净的交流电,进入整流器进行整流和滤波,并将交流电转换为平滑直流电,然后分为两路,一路进入充电器对蓄电池充电,另一路供给逆变器,而逆变器又将直流电转换成220V,50Hz的交流电供负载使用。当发生市电中断时,交流电的输入已被切断,整流器不再工作,此时蓄电池放电把能量输送到逆变器,再由逆变器把直流电变成交流电,供负载使用。因此,对负载来说,尽管市电已不复存在,但此时负载并未因市电中断而停运,仍可以正常运行 。

电路结构如图3-1所示,输入滤波器实质上就是EMI滤波器,一方面滤除、隔离市电对UPS系统的干扰,另一方面也避免UPS内部的高频开关信号“污染”市电。
在线式UPS不论是由市电还是由蓄电池供电,其输出功率总是由逆变器提供。市电中断或送电时,无任何转换时间。
平时,市电经整流器变成直流,然后再由逆变器将直流转换成纯净的正弦电压供给负载。另一路,市电经整流后对蓄电池进行充电。正常供电时的工作原理见图3-1(a)。

图3-1(a)正常供电时在线式UPS工作原理示意图
一旦市电中断时,转为蓄电池供电,经逆变器把直流转变为正弦交流供给负载。市电中断时的工作原理见图3-1(b)。

图3-1(b)市电中断时在线式UPS工作原理示意图

图3-1(c)市电正常而逆变器故障时的工作原理示意图
在市电正常供电状态下,若逆变器出现故障,则静态开关动作转向由市电直接供电,此时的工作原理见图3-1(c)。
如果静态开关的转换是由于逆变器故障引起,UPS会发出报警信号;如果是由于过载引起,当过载消失后,静态开关重新切换回到逆变器输出端。
虽然后备式UPS中的恒压充电电路具有电路简单、成本低廉等优点。但这种充电电路使蓄电池组初期充电电流较大,影响蓄电池的寿命。所以在在线式UPS中一般采用分级充电电路,即在充电初期采用恒流充电,当蓄电池端电压达到其浮充电压后,再采用恒压充电。在线式UPS蓄电池的典型充电特性如图3-2所示。


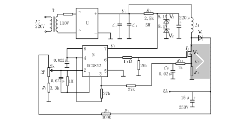
图3-3 小型在线式UPS充电电路
图3-3所示为某小型在线式UPS的充电电路,该电路的工作原理如下:
变压器将市电电压由220V降到110V,经整流滤波后变成140V的直流电压U1,这个电压分成两路:一路由R1降压和V1、V2稳压后,得到18V左右的电压U2,加到集成控制器(UC3842)的7端,作为该控制器的辅助电源;另一路经电感L1后加到场效应管V3的漏极。V3工作在开关状态,是个提升式(BOOST)开关稳压器,当UC3842的6端输出一正脉冲方波时,V3导通,电压U1几乎都降在电压L1上,通过L1的电流等于漏极电流ID,当正脉冲方波过去后,在该脉冲的后沿激起一个反电势电压式中:Δu为瞬时反电势电压,Δt为脉冲下降时间。
这个反电势电压的方向正好与整流电压U1相叠加,经过二极管V4的充电电压UO为:
UO=U1+Δu
这样,蓄电池就得到了足够的充电电压,因为Δt和ΔID由电路参数决定,该充电电压是固定不变的。随着电池组的充电,当其端电压提高到设定值后,再经R7送到RP及R5组成的分压器上,经分压后的反馈信号送到UC3842的输入端2,经过该信号的控制,使6端输入脉冲的频率降低,这样一来充电电压的平均值比原来减小,于是充电的电压被稳定下来。
电流的控制过程是这样的:电流的采样信号是由V3源极上的R10取得的,当充电电流增大时,由于对应频率的增加,V3开关频率增加,在R10上通过电流所造成的电压平均值增大,这个增大了的电压US经R11、C6平滑后送到UC3842的3端,使6端输出脉冲的频率下降,从而也稳定了电流。
由上述可见,这个充电电路实际上是个具有限流稳压功能的开关电源,只要将额定电压、浮充电压、恒流充电电流设置恰当,就能使蓄电池的充电过程基本上沿着理想的充电曲线进行,从而延长蓄电池的使用寿命。
3.1逆变器控制技术——正弦脉宽调制
正弦脉宽调制是根据能量等效原理发展起来的一种脉宽调制法,如图3-4所示。
为了得到接近正弦波的脉宽调制波形,我们将正弦波的一个周期在时间上划分成N等份(N是偶数),每一等份的脉宽都是2π/N。在每个特定的时间间隔中,可以用一个脉冲幅度都等于UΔm、脉宽与其对应的正弦波所包含的面积相等或成比例的矩形电压脉冲来分别代替相应的正弦波部分。这样的N个宽度不等的脉冲就组成了一个与正弦波等效的脉宽调制波形。假设正弦波的幅值为U~m,等效矩形波的幅值为UΔm,则各等效矩形脉冲波的宽度为δ式中:
βi是各时间间隔分段的中心角,也就是各等效脉冲的位置中心角。上面的公式表明:由能量等效法得出的等效脉冲宽度δ与分段中心βi的正弦值成正比。

图3-4正弦脉宽调制的能量等效图
当N=20,Um(n)/Um(1)与U~m/UΔm的关系曲线

(a)调制电路

(b)波形图
图3-5正弦脉宽调制法调制电路及波形图
在实际的小型UPS中,常用图3-5(a)所示的用比较器组成的正弦脉宽调制电路来实现上述脉宽调制的目的。若将三角波脉冲送到比较器的反相端(?),将正弦波送到比较器的同相端(),则在正弦波电压幅值大于三角波电压时,比较器的输出端将产生一个脉宽等于正弦波大于三角波部分所对应的时间间隔的正脉冲。于是在电压比较器的输出端将得到一串矩形方波脉冲序列。假设三角波的频率fΔ与正弦波的频率f之比为fΔ/f~=N(N称为载波比),为了使输出方波满足奇函数,N应是偶数。如果假定在正弦波大于三角波的部分所产生脉冲的中心位置,就是每一段脉冲的中心位置βi。
从图3-5(b)可以看到,由于三角形Δabg与Δcdg相似,经推导,脉冲宽度δi可用下式表示:当载波比N固定,且N》20时,在比较器输出端产生的矩形脉冲的宽度正比于正弦波的幅值U~m与三角波幅值之比,该脉冲宽度也正比于分段中心角βi的正弦值,对于图3-5(b)所示的脉宽调制波形,其高次谐波的幅值表达式为:式中:n表示谐波次数
当n=1(基波)时,有由上式可知:基波幅值Um(1)及各次谐波的幅值Um(n)与脉冲宽度δ有关,而脉宽δ又与调幅比U~m/UΔm有关。因此,只要适当地调节输入到比较器同相端的正弦波电压的幅值大小就可以调节逆变器电压的大小。图3-6给出了Um(n)/Um(1)max(各次谐波的幅值与基波最大值之比)与U~m/UΔm(调幅比)的关系曲线。由图3-6可以看出:在这种调制方式下,当正弦波的幅值小于三角波的幅值时,即0≤U~m/UΔm≤1时,逆变器输出电压的基波分量几乎是与调幅比U~m/UΔm的数值成线性变化;当正弦波幅度等于三角波幅度时,逆变器输出电压的基波分量大约等于0.8Um(1)max;此后,若继续增大正弦波的幅度,即U~m》UΔm时,逆变器脉宽调制输出的正弦分布特性开始遭到破坏,这时Um(n)/Um(1)max与调幅比U~m/UΔm之间失去线性关系,开始呈现非线性特性。这种正弦脉宽调制方式的另一个重要特点是:在正弦波幅度小于三角波幅度范围内,输出波形中不包含3、5、7次等低次谐波分量。在脉宽调制输出波中仅存在与三角波工作频率相近的高次谐波。

图3-6正弦波脉宽调制法
对于载波比K≥20的正弦脉宽调制波形来说,这些高次谐波分量是17、19次谐波分量。在目前实际使用的中、小型UPS中,正弦波的工作频率是50Hz,三角波的工作频率在8~40kHz之间。因此,采用这种正弦脉宽调制法的逆变器输出电压波形中,实际上基本不包含低次谐波分量,它们所包含的最低次谐波分量的频率都在几kHz以上。正因为如此,在正弦波输
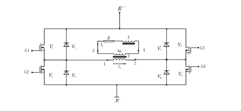
图3-7单相全桥逆变电路
出的UPS装置中,逆变器所需的滤波器尺寸可以大大减小。实际上,在目前的中、小型电源中,一般都是利用输出电源变压器的漏电感再并联一个8~10μF的滤波电容即可构成逆变器的输出滤波器。
3.2逆变器电路
在线式UPS多采用单相桥式逆变电路,如图3-7所示。它是由直流电源E、输出变压器T及场效应管V1~V4管组成。

图3-7 单相全桥逆变电路
单相桥式逆变电路按其工作方式可分为:同频逆变电路、倍频逆变电路。
(1)同频逆变电路
在同频逆变电路中,场效应管V1、V2、V3、V4的栅极G1、G2、G3及G4分别加上正弦脉宽触发信号,其波形如图3-8所示。在ωto~ωt1期间,uG1与uG2为一组相位相反的脉冲。uG3=0,uG4为高电平;在ωt1~ωt2期间,uG3与uG4为一组相位相反的脉冲,uG1=0,uG2为高电平,其工作过程如下:V1栅极出现第一个脉冲时,V2的栅极脉冲消失,于是V1、V4导通;V2、V3截止。输出变压器初级电流i1沿着E+→V1→变压器初级→V4→E-路径流动。由于V1、V4导通,电源电压几乎全部加在变压器初级两端,即:电源的能量转换到变压器,变压器次级感应出电压为:
在这个电压推动下,变压器次级出现电流iO,它沿着“3”→R→L→“4”路径流动。变压器储存的能量一部分消耗在负载电阻R上,另一部分储存在负载电感L中。uO的波形如图3-8(e)所示。

图3-8同频逆变电路主要波形
V1栅极的第一个脉冲消失时,V2的栅极出现第二个脉冲,V1截止。iO不能突变,仍按原来路径流动,负载电感中的能量一部分消耗在负载电阻上,另一部分储存在变压器中。它使电流i1也不能突变,i1一方面沿着“2”→V4→V6→“1”流动,变压器储存的能量消耗在回路电阻上;另一方面i1沿着“2”→V7→E→V6→“1”流动,变压器能量反馈给电源E。由于V4、V6导通,变压器初级短路,故u12≈0,uO≈0,故不会出现反向尖脉冲。变压器中能量释放完后,V2截止。
由此可见,V1的栅极出现第一个触发脉冲时,变压器初、次级同时出现宽度相同的脉冲。不难推出,V1的栅极出现第二至第九个触发脉冲时,变压器初、次级也同时出现与图3-8宽度相同的第二个至第九个脉冲。其输出电压波形如图3-8(e)所示。
在ωt1~ωt2期间,分析方法与ωt0~ωt1相同,读者可自行分析,由分析可见:
·uO是正弦脉宽调制波。
·uO中脉冲频率与驱动信号(uG1~uG4)中脉冲频率相同,故将这种逆变电路称为同频逆变电路。
(2)倍频逆变电路
在倍频逆变电路中,场效应管V1、V2、、V3、V4栅极G1、G2、G3及G4分别加上正弦脉宽触发信号如图3-9所示。图中uG1与uG2,uG3与uG4相位相反,其工作过程如下:
在t0~t1期间:
uG1》0、uG4》0,uG2=0、uG3=0,V1、V4导通,V2、V3截止。变压器初级电流i1沿着E+→V1→变压器初级→V4→E-路径流动,由于V1、V4导通,故:电流的能量转移到变压器,变压器次级感应出电

图3-9倍频逆变电路主要波形
压为:在这个电压推动下,变压器次级感应电流iO沿着“3”→R→L→“4”路径流动。变压器中能量一部分消耗在R上,另一部分储存在L中,uO的波形如图3-9(e)图所示。
在t1~t2期间:
uG1》0、uG3》0,uG2=0、uG4=0,V4截止。iO不能突变,iO继续按原来方向流动,负载电感中的能量一部分消耗在负载电阻上,另一部分储存在变压器中。i1也不能突变,它沿着“2”→V7→V1→“1”路径流动,变压器中的能量消耗在回路电阻上;i1另一方面沿着“2”→V7→E→V6→“1”流动,使变压器中的能量反馈电源。由于V7、V1导通,u21≈0,uO≈0。故不会出现尖脉冲。变压器中能量释放完后,V1自动截止。
在t2~t3期间:
uG1》0、uG4》0,uG2=0、uG3=0,V1、V4导通,V2、V3截止。i1沿着E+→V1→变压器初级→V4→E-路径流动,由于V1、V4导通,故:i0沿着“3”→R→L→“4”路径流动。
在t3~t4期间:
uG2》0、uG4》0,uG1=0、uG3=0,V1截止。iO继续沿着原来路径流动,负载电感L中的能量一部分消耗在负载电阻R上,另一部分储存在变压器中。i1一方面沿着“2”→V4→V6→“1”路径流动,变压器中的能量消耗在回路电阻上;i1另一方面沿着“2”→V7→E→V6→“1”使变压器中的能量反馈给电源。由于V6、V4导通,u21≈0,uO≈0,故不会出现尖脉冲。变压器中能量释放完后,V4自动截止。
以后便重复上述过程,uO的波形如图3-9(e)所示。由图看出:
·输出电压uO也是正弦脉宽度调制波。
·输出电压uO中脉冲频率是驱动信号中脉冲频率的两倍,故将这种逆变电路称为倍频逆变电路。
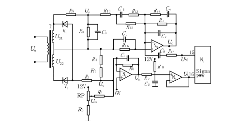
为了提高输出电压的稳压精度、改善输出波形,UPS往往采用闭环电压控制电路和闭环波形控制电路。具有这种双闭环调节系统的UPS反馈控制电路如图3-10所示。

图3-10 UPS的双闭球反馈控制电路
4.1电压闭环控制电路
电压闭环控制电路是由直流电压检测电路、给定电压、误差放大器组成。
(1)直流电压检测电路
直流电压检测电路是由检测变压器T、单相全波整流电路V1~V2、电阻分压器R1、R4、R5组成。设变压器变比为n,电阻分压器输出电压为UV,反馈系数为β,经推导:令
则UV=βUO
(2)给定电压
给定电压Un是由12V电源、电位器RP、电阻R3构成分压器提供的。
(3)误差放大器
误差放大器是由运放N1、电阻R6构成的反相放大器,C1的作用是抑制高频振荡,放大器输出电压Uk为:Uk=K1(Un-Uv)
(4)跟随器
跟随器由运放N2构成,其输出电压UL=UK。
(5)SigmaPWM集成芯片
N4是SigmaPWM集成芯片。跟随器N2输出电压UL加在N4的控制端(16脚)。N4输出标准的正弦波交流电压US,其电压的幅值受跟随输入电压控制。
4.2波形闭环控制电路
(1)交流电压检测电路
交流电压检测电路由检测变压器T(U21)、电阻分压器R9、R11组成。设反馈系数为:则反馈电压Uf=FUO
(2)给定电压
给定电压由SigmaPWM集成芯片提供,15脚输
图3-10UPS的双闭环反馈控制电路
出,它通过R17、C8加在N3的反相端,设给定电压为UM。
(3)误差放大器
误差放大器由运放N3、R12~R16、C4~C7组成。图中:R14、C6构成校正环节:C4、R12、R13也构成校正环节,C5、R16是为了减少运放N3失调电压的;C7是抑制放大器高频振荡的,静态时校正环节不起作用,故误差放大器输出电压UC为4.3闭环反馈调节系统